凯时尊龙|人生就是博(首页)
尊龙凯时
EN
股票代码
688103
网站首页
关于国力
产品中心
技术支持
新闻动态
采购声明
投资者关系
联系国力
真空电容器
真空电容器产品列表
固定真空电容器产品列表
可变真空电容器产品列表
直流接触器
直流接触器产品列表
直流接触器总产品列表
交流接触器
交流接触器产品列表
R系列交流真空接触器
CKJ11系列
CV、CHV系列
CKJ5系列
7.2kv系列
12kv系列
断路器产品列表
换向开关产品列表
高压继电器
高压继电器产品列表
继电器产品总表
真空继电器
干簧继电器
充气继电器
单刀单掷继电器
单刀双掷继电器
双刀双掷继电器
磁保持高压继电器
高压继电器对照表
国力与Jennings型号对照表
国力与JPK型号对照表
国力与Crydom型号对照表
国力与Kilovac型号对照表
真空灭弧室(真空开关管)
接触器用真空灭弧室(开关管)
断路器用真空灭弧室(开关管)
负荷开关用真空灭弧室(开关管)
固封极柱
氢闸流管
氢闸流管产品列表
磁控管
脉冲磁控管 GLM5193
连续波磁控管 GDCWM-75LJ
射频同轴继电器
射频同轴继电器列表
速调管
速调管GD8262
您现在的位置:
首页
>>
产品介绍
>>
真空断路器ZN7-400/1.14
产品名称:
真空断路器ZN7-400/1.14
产品型号:
ZN7-400/1.14
ZN7-400/1.14(660)型真空断路器,适用于交流50Hz,额定电压1140V(660V)及以下等级,额定电流 400A及以下电流等级的线路中,作为供电系统的总开关、分支开关,也可作为大容量电动机的不频繁起动之用。并适宜于各种保护装置组成各种配电开关,特别适宜于组成煤矿隔爆型真空馈电开关。
真空断路器ZN7-400/1.14 下载
产品详细内容介绍
ZN7-400/1.14产品介绍
注:所列参数均为典型产品规格,仅供选型参考.如有更新,恕不另行通知。需要更多技术支持,请与国力联系。
产品技术参数
额定电压
V
1140(660)
额定电流
A
400
极限通断能力
kA
7.5(9)
固有分闸时间
ms
≤30
合闸时间
ms
≤100
合闸弹跳时间
ms
≤2
机械寿命
次
2×10
4
电寿命
次
3×10
3
参考重量
kg
18
合闸电源电压
V(AC)
127
欠压、分励电源
V(DC)
48
合闸功率
W(瞬态)
1152
分闸功率
W
31
欠压功率
W
5
辅助触点
四对常开, 四对常闭
辅助触点容量
AC-15:Ue:AC380V Ie:1A DC-13:Ue:DC250V Ie:0.8
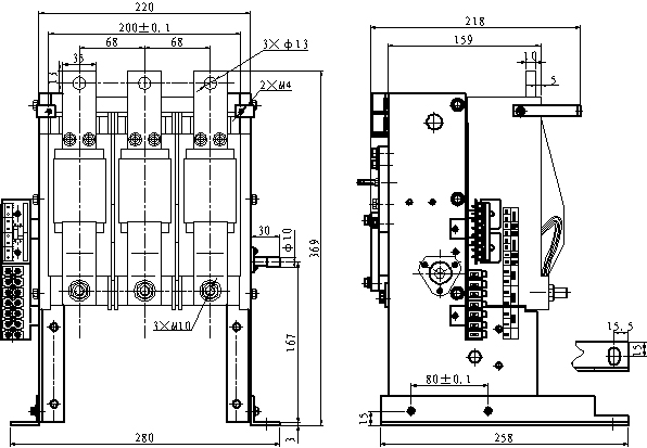
产品外型图
上一篇:
真空接触器CKJ11-630/3.6
下一篇:
真空断路器ZK1-630/1.14
走进国力
公司动态
产品展示
服务中心
尊龙凯时
扫描进入官方微信
扫描进入国力智选
公司简介
企业文化
企业历程
资质认证
公司荣誉
公司新闻
行业新闻
真空电容器
直流接触器
交流接触器
高压继电器
真空灭弧室
磁控管系列
服务承诺
销售咨询
联系方式
人才招聘
公司地址:中国江苏省昆山市西湖路28号
总机热线:+86-0512-36872111
公司邮箱:
marketing
@the0048.com(销售)
audit@the0048.com(廉洁举报)
公司传真:+86-0512-36872122 / +86-0512-57777020
销售服务热线:400-9280-680
Copyright @ 2013-2024 尊龙凯时电子科技股份有限公司(the0048.com) All Rights Reserved.
苏ICP备52006900