凯时尊龙|人生就是博(首页)尊龙凯时

股票代码
688103
CKJ11系列 您现在的位置:首页 >> 产品介绍 >> CKJ11系列CKJ11-3000
CKJ11系列CKJ11-3000
产品名称:CKJ11系列CKJ11-3000
产品型号:CKJ11-3000
CKJ11-3000真空接触器是我公司独立研发生产的高新技术产品,通过认证机构电性能试验、环境试验及冲击、振动试验。样机通过客户认可。CKJ11-3000真空接触器是国内外目前容量最大的低压真空接触器,可同于太阳能、风能发电设备及大型冶炼,运输设备等领域。
CKJ11系列CKJ11-3000  下载
产品详细内容介绍

CKJ11-3000产品介绍

注:所列参数均为典型产品规格,仅供选型参考.如有更新,恕不另行通知。需要更多技术支持,请与国力联系。

产品技术参数
额定电流 A 3000
额定电压 kV 1.5(0.38)
额定接通能力 A/50次 30000
额定分断能力 A/50次 24000
极限分断能力 A/3次 24000
机械寿命 1×106
电寿命 6×104
参考重量 kg 170
控制电源电压 (三相) V 380
吸合功率 kW(瞬态) 24
保持功率 W 300
辅助触点 三对常开,三对常闭
辅助触点容量 Ue: AC380V;Ie:10A


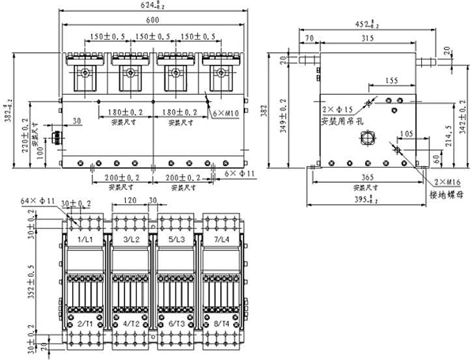
产品外形图
交流真空接触器

上一篇: CKJ11系列CKJ11-800/1.5 下一篇: 交流真空接触器CKJ11-500/3.6
走进国力 公司动态 产品展示 服务中心 尊龙凯时
扫描进入官方微信

扫描进入国力智选
公司简介
企业文化
企业历程
资质认证
公司荣誉
公司新闻
行业新闻
真空电容器
直流接触器
交流接触器
高压继电器
真空灭弧室
磁控管系列
服务承诺
销售咨询
联系方式
人才招聘
公司地址:中国江苏省昆山市西湖路28号
总机热线:+86-0512-36872111
公司邮箱:marketing@the0048.com(销售)
     audit@the0048.com(廉洁举报)
公司传真:+86-0512-36872122 / +86-0512-57777020
销售服务热线:400-9280-680
Copyright @ 2013-2024 尊龙凯时电子科技股份有限公司(the0048.com) All Rights Reserved. 苏ICP备52006900